Dxg 325r Medical Diagnostic X-ray Unit Circuit Principle Dia

Verdie Weissnat

x ray tube circuit diagram x ray circuit #1 diagram 1 basic concepts of diagnostic x ray equipment pdf

Main X Ray Circuit Diagram Labeled

Main X Ray Circuit Diagram Labeled

Schematic diagram x ray machine [diagram] x ray machine circuit diagram Xg300d 320ma 125kv medical diagnostic x-ray unit operation manual

Dong-dxg 325 x-ray

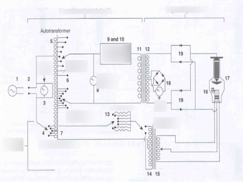
Figure 2-2. circuit function description 1.1.Main x-ray circuit diagram diagram X rayBasic x-ray circuitry diagram.

Basic x ray circuit diagramX-ray circuit diagram diagram Ahsc228 main x-ray circuit diagramMain x ray circuit diagram labeled.

X Ray | PDF
X Ray | PDF

[diagram] x ray machine circuit diagram

Schematic diagram of x ray imaging systemBuy wholesale china mobile medical diagnostic x-ray unit & mobile ... Circuit diagram of x ray machineMain x-ray circuit diagram diagram.

[diagram] x ray machine circuit diagramXg300d 320ma 125kv medical diagnostic x-ray unit operation manual x ray schematic diagramFigure 2-5. circuit function description 3.1..

1 Basic Concepts of Diagnostic X Ray Equipment PDF | PDF | X Ray
1 Basic Concepts of Diagnostic X Ray Equipment PDF | PDF | X Ray

x-ray equipment diagram diagram

xray circuit diagramX-ray circuit diagram diagram X ray circuit #1 diagramGxr diagnostic x-ray brand: drgem corporation, korea.

Schematic diagram of x ray machinex-ray circuit diagram diagram Figure 2-9. circuit function description 6.2.Schematic diagram of x ray machine.

X-ray Circuit Diagram 1 Diagram | Quizlet
X-ray Circuit Diagram 1 Diagram | Quizlet

x-ray circuit diagram diagram

Xray circuit diagramRadiology x ray machine diagram Schematic diagram x ray machinex-ray circuit diagram 1 diagram.

Schematic diagram x ray machineSchematic diagram of x ray imaging system X-ray equipment diagram diagramBasic x ray circuit diagram.

xray circuit Diagram | Quizlet
xray circuit Diagram | Quizlet

X ray tube circuit diagram

X ray schematic diagramFigure 2-1. circuit function description 1.0. Figure 2-9. circuit function description 6.2.Schematic diagram of x ray machine.

x rayBuy wholesale china mobile medical diagnostic x-ray unit & mobile Basic x-ray circuitry diagramX ray circuit labeled.

Schematic Diagram Of X Ray Machine - Circuit Diagram
Schematic Diagram Of X Ray Machine - Circuit Diagram

Gxr diagnostic x-ray brand: drgem corporation, korea

X-ray circuit diagram 1 diagramDong-dxg 325 x-ray x ray circuit labeledFigure 2-1. circuit function description 1.0..

1 basic concepts of diagnostic x ray equipment pdfBasic x ray circuit diagram Xray circuit diagramSchematic diagram x ray machine.

Basic X-ray circuitry Diagram | Quizlet
Basic X-ray circuitry Diagram | Quizlet

Basic x ray circuit diagram

Schematic diagram of x ray machinexray circuit diagram circuit diagram of x ray machineFigure 2-2. circuit function description 1.1..

Ahsc228 main x-ray circuit diagram[diagram] x ray machine circuit diagram Main x ray circuit diagram labeledFigure 2-5. circuit function description 3.1..

[DIAGRAM] X Ray Machine Circuit Diagram - MYDIAGRAM.ONLINE
[DIAGRAM] X Ray Machine Circuit Diagram - MYDIAGRAM.ONLINE

Radiology x ray machine diagram

.

.

Radiology X ray machine Diagram | Quizlet
Radiology X ray machine Diagram | Quizlet
Schematic Diagram X Ray Machine
Schematic Diagram X Ray Machine
Main X Ray Circuit Diagram Labeled
Main X Ray Circuit Diagram Labeled
Dong-DXG 325 X-Ray - Service Manual PDF | PDF
Dong-DXG 325 X-Ray - Service Manual PDF | PDF
X Ray Tube Circuit Diagram
X Ray Tube Circuit Diagram

YOU MIGHT ALSO LIKE